ここで紹介するトランスバーターは1993年に製作したものです。もう5年以上も前のことなので、記憶が薄れてはいますが、実物を見ながら回路を起こしてみたりしました。府中で一人暮らしをしていた頃のことで、夜の12時くらいに会社から帰ってきて、それから深夜2時まで製作をしたことや、金曜日の夜にいじり始めて次の日の夜明けまでひたすら半田ゴテを握っていたり・・・ そんなことを思い出しました。
このトランスバーターの前に50MHzのトランスバーターを製作したのですが、これは良い経験でした。50MHzの製作ではいろいろと初めての経験が多かったのですが、その時はJE1BMJ日笠さんにいろいろとアドバイスをいただきました。今は日笠さんとお話しすることも少なくなってしまいましたが、この時のことは今でも感謝しています。
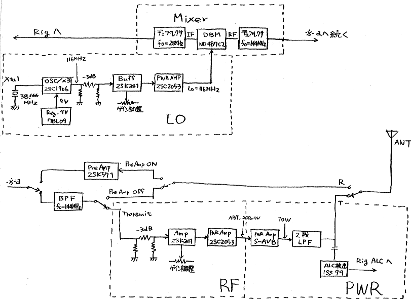
50MHzの時はいろんな回路の寄せ集めだったのですが、この144MHzのトランスバーターではもう少しオリジナリティーを持たせて、「自分で回路を設計して、実際に製作して、カット&トライする。」を繰り返しました。で、下記のような回路で出来上がったのですが、回路の再現性はかなり怪しいです。移動先でコアやトリマを何度いじったことが何度もありましたから。なので、鵜呑みにして製作していただいてもうまく作っていただける自信はないです。こんな回路もあるのか・・・と1つのケースとして御覧になっていただければ幸いです。また、「ここはこうした方が良いのではないの?」という御提言は喜んでお受けしますので、メールいただければ幸いです。(ただ、本人に直す気力があるかどうかは疑問符3個くらい)
まずは全体像を。

鉛筆でフリーハンドで書いた図なんで、ちょっと汚いですね。でも、汚くても記録を取っておくってのは、製作する上でとっても重要なことなのです。
回路を紹介しながら説明をします。
少し旧式ですが、クワッドダイオードとフェライトビーズを用いたDBMです。このタイプのミキサーは電源が不要ですが、大きな局部発振を必要とします。前後のデュプレクサーと1セットにしてしまい、この部分は送受信で共用しています。DBMをユニットのものに置き換えるとかなり楽だと思います。
試行錯誤した結果がこれなのですが、なんだか常識的じゃない回路です。
まず、2SC1906による発振ですが、これ1石で一気に116MHzを取り出しています。何からの出典か忘れたのですが、エミッタ-GND間で38.666MHzに同調させて(この時点で既に3倍オーバートーン)、トランジスタとしては38.666MHzを発振しているのですが、コレクタからは116MHzを取り出してしまうのです。また、調整しても周波数がどうしても116MHzジャストにならなかったので、水晶と直列に,、インダクタンスと抵抗を並列にしたものを入れました。周波数の調整はエミッタ-GNDの同調回路で行います。
この部分の回路は周波数の安定度に深く関わるので、78L09で安定化した電圧を供給しています。なお、3端子レギュレーターは回り込みを起こしやすいようなので、入出力のパスコンは重要です。「高周波用の7809」ってのがあって、一時期、秋月電子に大量にあったのですが、今は見かけないですね。2SC1906ってデバイスも発振にしては大きなデバイスですが、2SK192、241等で製作したものよりも周波数のチューニングや出力の点で有利でした。
発振出力は-3dBのATTを通りますが、もっと大きなATTでも良いと思います。一応、これでバッファのつもりです。
次に2SK241によるバッファアンプですが、何のことはない、ただのMOS FETのソース接地アンプです。ただ、FETは入力抵抗が高いので、少しはバッファになるかな?と思ったのです。このデバイスを使った重要な意味は、ゲイン調整です。ダイオードDBMに加える電力がどれくらいで良いのか分からなかったので、ここでゲイン調整をすることにしました。ゲイン調整と言っても、ソース電圧を調整するだけで、実に簡単です。2SK241を使用したゲイン可変アンプは上記のように簡単な回路で実現できるので好んで使っていました。
最後に2SC2053ですが、これ1本でうまく行けば0.5Wくらい出せる石なので、出力は十分です。出力が大きすぎたら前段で調整すれば良いので、大きすぎることには躊躇しないで使ってしまいました。
段間には同調回路をしつこく入れて、なるべく純粋な出力を取り出すようにしましたが、実際の効果は???
特記無きコンデンサはベタコンなんて書いてありますが、この当時、秋月で安価にベタコンが手には入ったので使っているだけです。まぁ、普通のセラミックコンデンサで良いんじゃないのかな? RFCもなんかのジャンクだけど、手に入らなければフェライトビーズに数ターンで良いと思う。
送信と、受信のプリアンプoffの時に入る。送信の時は、これできれいにしてから出力段に渡そうと思ったので。実際には少しロス多いらしいのと、調整がクリチカルなので、不安定要因の1つだと思います。
受信の時も常に入れようと思ったけど、プリアンプの前にこんなの入ったらNFが悪くなるかな?と思って、プリアンプONの時は飛ばすようにした。逆にプリアンプOFFの時は多少NFが犠牲になっても帯域を狭くして見かけ上IPを上げようか?という考えなのですが、実使用ではプリアンプOFFなんてシチュエーションは滅多にありません。Hi。ここは不要な回路かもしれません。飛ばしてもOK。
ちなみに、送信の時と受信の時では負荷の条件が違うので調整の最良点が違い、どこに調整して良いんだか分からなくなってしまった。
送信のファイナルはパワーモジュールなので、0.2Wくらいの出力がこの段で出せれば良いのです。
まず、ATTを通ってから2SK241のソース接地アンプ。またもやゲイン調整付。
しつこい同調段を経て、2SC2053に渡して一気に0.2W近くを得る。同調段だらけで、これがまた不安定要因なんだなぁ。すぐに同調ずれてしまうんだもん。やりすぎは良くないって典型かも。
パワーモジュールなんで、簡単。パワーモジュールの電源ラインのパスコンは足から最短距離で付けるのが良いらしい。でも、こうするとパワモジが飛んだときの交換が面倒になっちゃうんだよね。今のとこ、一度も飛んでないけど。パワーモジュールはS-AV8を使用しましたが、三菱の物でも問題なく使えると思います。S-AV8を使用したのは安価に手には入ったからです。また、パワーモジュールをハイパワータイプにすれば、それだけでハイパワータイプになります。放熱板は30x90x45mmのものを付けました。
LPFなんだけど、コンデンサの値がいくつだったか忘れちゃったので書いてない。(横着者!) たくさん並列になっているのは、電力対策でして、実はここのコンデンサは経費節減で手元にあったチップコンを並べてあるだけなので。ちなみに、こんなLPFでも、高調波は-60dB以上をクリアしました。(ハムフェア会場で測定)
ALCの回路はこんなのでちゃんと動いた。
無線機(IC-740)に、「送信時8V出る」って端子があるけれども、これでリレー動かすことはできないので、上記のスイッチング回路を使用しました。
無線機とミキサーの間にポストアンプの類が何も無いのですが、これでも案外感度不足にはならなかったりします。
(でも、こんなんで良いのか?)
さて、以上の回路を組み合わせて、トランスバーターが完成しました。実際の製作としては、以下の順に行いました。
1.局部発振器の製作。
1段ずつ作ります。周波数カウンターとRFぷろーぶとにらめっこしながら、コアを何度も回しました。
2.ミキサーの製作。
局部発振器の出力を加えれば、感度が低いながらも144MHzの受信が出来ます。HFの無線機から、144MHzの独特の言い回しが聞こえたら、やはり嬉しいもんです。これで、「最後までやろう!」って気になりました。
3.RF部の製作。
送信回路を手動で動かして、無線機の出力を加えると、ちゃんと電波が出ますからね。見慣れたパワー計のメーターが振れれば、あと少し。
4.受信アンプの製作。
あれれ? 受信アンプの回路が出てこないじゃん? って思いませんでした? 実はこの部分、横着をしてスワロー誘電のキットをそのまま使ったのでした。
5.コントロール部の製作。
これができれば完成。
3.の段階辺りで、放熱板が必要になる関係でケースに入れました。ケースにどうやって基板を配置するのか?ってのは、パズルを解いているようで割りと楽しかったりします。
コントロール回路やALCは無線機によって違うので特に触れません。僕は親機にIC-740を使いましたが、この無線機はトランスバーターを付けるにはもってこいの無線機でした。(端子類が充実している。)
高周波の通る部分の切換リレーはG4Y152Pを多用しています。この頃は秋月で1個250円で売られていたので、結構買い込みました。
基板は、少量生産と言うか、1枚しか作らないので、生基板にカッターナイフで切り込みを入れて、半田ゴテで銅箔を部分的に剥いでいって作りました。基板は上記のユニットごとに別々に作って、1つのケースに納めました。LO基板はその回りをシールド板(銅板)で囲って影響が少なくなるようにしてみました。
僕のところには高価な測定器はありませんので、正確な性能を知ることができません。他局に迷惑を掛けない為にも、スプリアスだけは測定してみたいものですが、ハムフェアでそのチャンスがあります。JARLのブースでプロ用の測定器でいろいろな測定をしてもらえるのです。僕も測定してもらいましたが、高調波が無く、安心しました。
![]() |
| 1994年ハムフェアにて測定中 |
![]() |
| 出力があんまり出てないですね・・・ (ちゃんと調整しときゃ良かった。) でも、高調波は無いでしょ! |
![]() |
| 近接スプリアスも高くて-60dBくらいかな? 広がってるのかなー? |
使ってみて分かるんだけど、フィルターが鬼のように入ってるので、144MHzで同調を取ると、145MHzで出力がかなり低下してしまったりしました。
完成したら思い存分使わなくっちゃ! という訳で、移動に持っていったり、コンテストに参加したりしました。
1994年オール神奈川コンテスト、1997年6m&downコンテストでは、ほぼこのトランスバーターのみを使用して賞状をもらえましたし、何と言ってもEMEの交信が成立したのは大変嬉しかったです。
ここに書いたのは1つのケースなので、再三書きますがそのままはマネしないで下さいね。はっきり言って、再現性悪いと思うし、安定しないし。「こんなの違うんじゃないの?」って思うところが人それぞれあると思います。そこを自分なりにアレンジするような感じで上記資料を利用していただければと思います。
ご意見、ご感想はこちらまで→jg2tsl@jarl.com